TM 10-4510-206-14
2-8.
PREPARATION FOR USE (CONTD)
c.
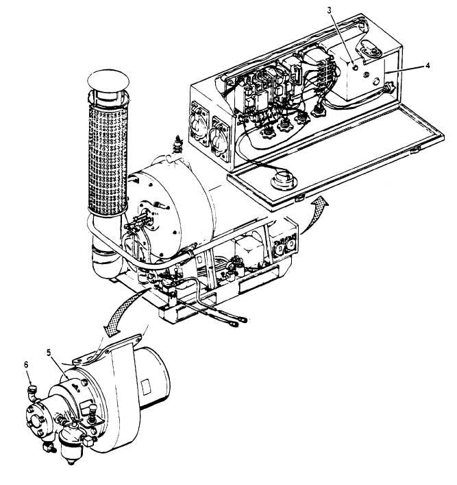
Press reset button (3) to ensure that flame safeguard control (4) is not
locked out.
d.
Open blower shutter (5) approximately half way.
e.
Open fuel pump primer plug (6) and fill fuel pump with fuel.
Replace
plug.
2-18