Home
Download PDF
Order CD-ROM
Order in Print
SETTING UP BATH UNIT (CONTD) - TM-10-4510-206-14_61
PRELIMINARY SERVICING AND ADJUSTMENTS OF EQUIPMENT - TM-10-4510-206-14_63
TM-10-4510-206-14 Bath Unit Portable Automated Mult-Head Model PBU-100 and Model HEI-100 Manual
Page Navigation
26
27
28
29
30
31
32
33
34
35
36
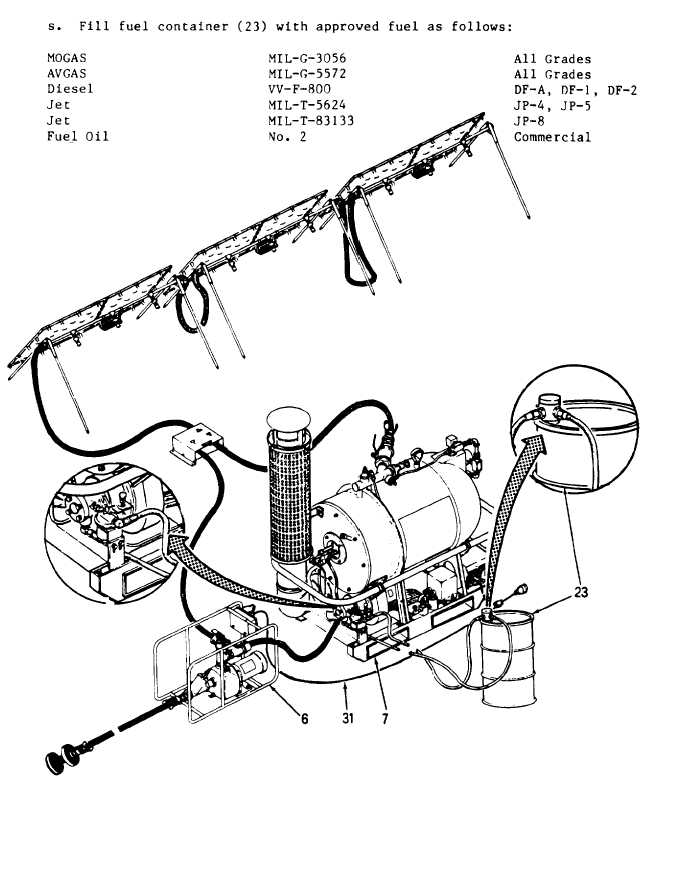
TM 10-4510-206-14
2-16